-
工作日:8:00 — 17:20
銷售:宋經理
?總體介紹
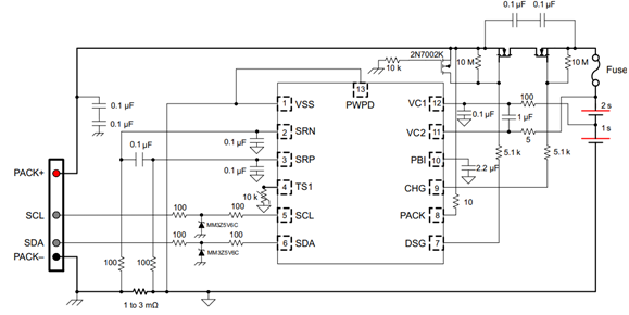
?MPC7021是一款基于鋰電池組管理的芯片集成解決方案,針對1~2 節串聯鋰離子或鋰聚合物電池組提供電量監測、保護及認證等一系列的豐富功能。該芯片利用其集成的高性能模擬外設,測量鋰離子或鋰聚合物電池的可用容量、電壓、電流、溫度和其他關鍵參數,保留準確的數據記錄,并通過 I2C 接口將這些信息報告給系統主機控制器。
?????? MPC7021 針對過壓、欠壓、過流、短路電、過載和過熱情況,以及其它電池相關故障提供基于軟件的 1 級和 2 級安全保護。
?????? MPC7021電量監測計通過 I2C 兼容接口進行通信,并將超低功耗的高速ARM M0處理器、高精度模擬測量功能、集成閃存、相關外設和通信端口、N 溝道 FET 驅動器以及 SHA-1,SHA-256等安全認證融合于一套完整的高性能電池管理解決方案中。
? ? ? ?產品緊湊的 12Pin VSON 封裝在提供電池電量測量應用的功能性和安全性的同時,最大限度地降低解決方案的成本和智能電池的尺寸。
?產品特征?
集成2串Smart gauge V3.0算法的電量計
支持I2C通信
芯片內部集成溫度感應 Sensor,同時支持外部的溫度Sensor ? ?
AFE硬件保護(充放電過流/過載/短路)
軟件可編程保護(過流/過壓/欠壓/過溫保護等)? ? ? ? ? ? ? ? ? ? ?
支持低至0.75mΩ的采樣電阻
支持均衡功能
低自耗電(正常工作150uA,Sleep 40uA)
?應用場景
?適用于1~2串手機電池
小型UPS/電動工具
?產品優勢
2路16 bit的 I/V ADC和1路快速電流ADC
SHA128/SHA256加密支持
QFN封裝, bq28z610 p2p
128KB flash,支持更多FW功能定制
將集成多種先進算法,充分發掘cell的潛力和提升電池
的安全等級 (CIS內短路算法、膨脹檢測算法等)
?典型應用
